- 25 mei 2025
- | Bron: PMG
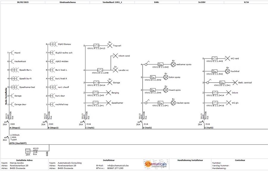
Eerst elektrische schema's en dan installatie?
Het maken van elektrische schema's voorafgaand aan het installeren van een elektrische installatie heeft vele voordelen. Door de schema's op te stellen, kunnen fouten in de installatie visueel worden ontdekt, zoals te veel aftakpunten op een kring. Daarnaast kunnen materiaallijsten worden opgemaakt, waardoor de bestelling efficiƫnter en nauwkeuriger kan worden uitgevoerd. Op basis van de situatieschema's kunnen ook kabellengtes worden ingeperkt en ingeschat voordat een bestelling wordt geplaatst. Hoewel het maken van elektrische schema's soms als een noodzakelijk kwaad wordt gezien, zijn de voordelen van deze voorbereidende stap duidelijk.
Gratis dit artikel lezen?
Registreer en word gratis online abonnee
Ben je al abonnee?
Meld je aan en krijg toegang tot de website
Door te registreren ontvangt u de newsletter. De newsletter kan u te allen tijde en zonder verdere formaliteiten opzeggen. Wij garanderen u dat uw e-mailadres en andere persoonlijke gegevens nooit aan derden worden doorgegeven en enkel gebruikt worden voor het versturen van de newsletter.
Door u in te schrijven, gaat u akkoord met De privacyvoorwaarden.